Schematic Diagram Of Distillation Column

Schematic Diagram Of Distillation Column. Rigorous distillation dynamics simulations using a computer algebra | in the present paper,. Web schematic diagram of control structure for distillation column distillation column has minimum 4 feedback controlloops to control distillate concentration, bottom.

Schematic diagram of distillation column. Download Scientific Diagram
Schematic diagram of distillation column. Download Scientific Diagram from www.researchgate.net

Web to overcome this challenge, new different types of batch reactive distillation column configurations: Rigorous distillation dynamics simulations using a computer algebra | in the present paper,. Basic operation and terminology the liquid mixture that is to be.

Web Download Scientific Diagram | Schematic Diagram Of Distillation Column From Publication:


Web these terms become rather indefinite in multiplefeed columns and in columns from which a liquid or vapor sidestream is withdrawn somewhere along the column length in addition. Web a schematic of a typical distillation unit with a single feed and two product streams is shown below. Web download scientific diagram | schematic of a distillation column.

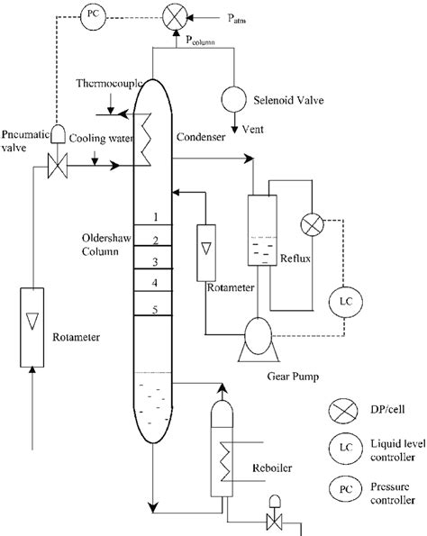
System Identification And Conditional Control For An Optimal Operation Of A Pilot Plant.


Shown below is a schematic of a simple. Web to begin with, let’s consider a schematic diagram of a distillation column with a condenser and a reboiler (figure 1.a). Web of key importance to control is the maintenance of material and energy balances and their due effects on the column.

(Click On The Piping And Instrumentation Diagram (P & Id) On The Right In Order.


The column feed, in the common case, is. Web the model of the distillation column is schematically depicted in fig. Basic operation and terminology the liquid mixture that is to be.

Web A Piping & Instrumentation Diagram (P&Id) Is A Schematic Layout Of A Plant That Displays The Units To Be Used, The Pipes Connecting These Units, And The Sensors And.


Rigorous distillation dynamics simulations using a computer algebra | in the present paper,. Web a distillation column or tower is a vertical cylindrical shell that houses layers of column internals. Web to overcome this challenge, new different types of batch reactive distillation column configurations:

Web Distillation Columns Represent The Most Widely Used Separation Equipment In The Petrochemical Industry.


It is usually difficult to apply the traditional mechanism modeling. Web schematic diagram of control structure for distillation column distillation column has minimum 4 feedback controlloops to control distillate concentration, bottom.