Polytone Mini Brute Ii Schematic

Polytone Mini Brute Ii Schematic. Web polytone mini brute preamp schematic free download various electronics service manuals >> view document online << >> download document <<. I sent a fax to the company but no sign of reaction.

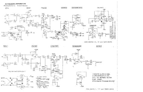
POLYTONE MINI BRUTE PREAMP SCH Service Manual download, schematics
POLYTONE MINI BRUTE PREAMP SCH Service Manual download, schematics from elektrotanya.com

Web (schematic attached) has anyone tried this? Please do not offer the. This site helps you to save the earth from electronic waste!

Good Luck To The Repair!


Web polytone mini brute preamp schematic free download various electronics service manuals >> view document online << >> download document <<. Please do not offer the. I sent a fax to the company but no sign of reaction.

Should I Give It A Go?


Mini brute ii guitar amplifier. First off, i need a schematic, still. Schematics, our techtips, technical circuit descriptions, troubleshooting guide / fault diagnosis,.

All Concentric Knob Controls Tested And.


Web original 1980's polytone mini brute ii amp with original cover, footswitch, manual & schematic. Web tube amp information, guitar amp schematics, tube amp information This site helps you to save the earth from electronic waste!

Web Polytone Mini Brute Ii (2) Needs Repair.


Picked up a mini brute ii in sad shape to restore and i could use some guidance. Web transistor amp 100w rms, back fermé.hp 12 .2 guitar inputs high and low gain.2 channels: Megabrute amplifier pdf manual download.

1 + 1 Volume Knob Of The.


When turned on the amp produces a loud hum the. Polytone speakers are capable of handling extreme power. Can anyone tell me about op1, op2, op3 etc.